0577-86155736
0577-86155736
wzcryy@126.com
溫州市甌海區婁橋工業園繁瑞路11號
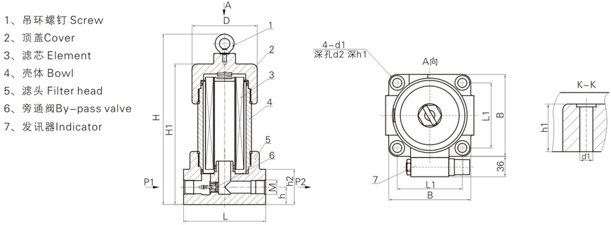
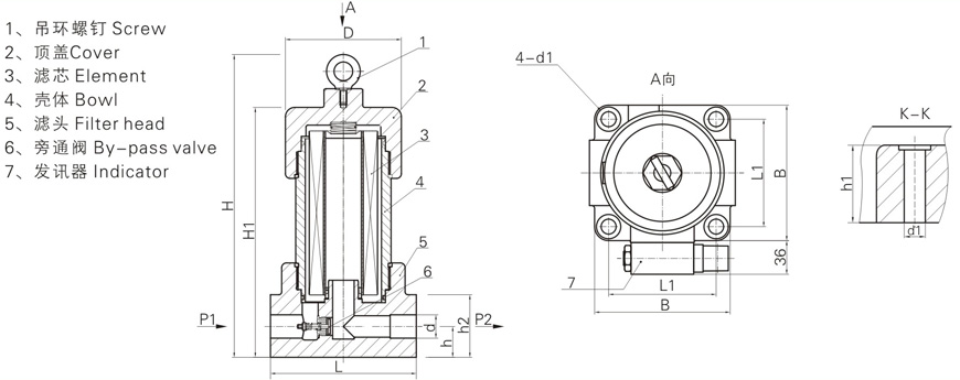
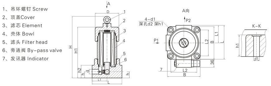
ZU-H,QU-H,WU-H系列過濾器安裝在液壓系統的壓力管路上,用以濾除液壓油中混入的機械雜質和液壓油本身化學變化所產生的膠質、瀝清質、炭渣質等,從而防止閥芯卡死、節流小孔縫隙和阻尼孔的堵塞以及液壓元件過快磨損等故障的發生。
該過濾器過濾效果好,精度高,但堵塞后清洗比較難,而須更換濾芯。
該過濾器設有壓差發訊裝置,當濾芯污染堵塞到進出油口壓差為0.35Mpa時,即發出開關信號,此時更換濾芯,以達到保護系統安全的目的。
該過濾器濾芯采用新型化纖過濾材質,具有過濾精度高、通油能力大、原始壓力損失小、納污量大等優點,其過濾精度以絕對過濾精度標定,過濾比β3、5、10、20>100,過濾效率n≥99%,符合ISO標準。
型號說明
技術參數
型號 | 通徑(mm) | 公稱流量 (L/min) | 過濾精度(μm) | 公稱壓力 (Mpa) | 壓力損失(MPa) | 發訊裝置功率(V/W) | 重量(kg) | 濾芯型號 | 連接方式 | |
Initial | Max | |||||||||
Z QU-H10×*P | 15 | 10 | 1 3 5 10 20 30 | 32 | 0.08 | 0.35 | 24V/48W 220V/50W | 3.6 | HX-10×*# | 管式 |
Z QU-H25×*P | 25 | 5.0 | HX-25×*# | |||||||
Z QU-H40×*P | 20 | 40 | 0.1 | 8.0 | HX-40×*# | |||||
Z QU-H63×*P | 63 | 9.8 | HX-63×*# | |||||||
Z QU-H100×*P | 25 | 100 | 12.0 | HX-100×*# | ||||||
Z QU-H160×*P | 32 | 160 | 0.12 | 18.2 | HX-160×*# | |||||
Z QU-H250×*FP | 40 | 250 | 23.0 | HX-250×*# | 法蘭式 | |||||
Z QU-H400×*FP | 50 | 400 | 0.15 | 33.8 | HX-400×*# | |||||
U-H630×*FP | 53 | 630 | 42.0 | HX-630×*# | ||||||
Z QU-H800×*FP | 53 | 800 | 52.0 | HX-800×*# |
注:*為過濾精度,#為過濾材料,若使用介質為水—乙二醇,濾材為紙質,帶發訊器和旁通閥,則過濾器型號為:ZUI·BH—H63×*P,濾芯型號為HX·BH-63×*濾材為化纖,帶發訊器,則過濾器型號為:QU·BH-63×*P, 濾芯型號為:HX·BH-63×*Q,濾材為金屬網,帶發訊器,則過濾型號為:WU-H63×*P,濾芯型號為:HX-63×*W
濾芯壓差流量曲線
濾芯HX-※x※(由試驗測得數據)Q-△P曲線油液粘度
技術參數
型號 | 通徑(mm) | 公稱流量(L/min) | 過濾精度(μm) | 公稱壓力(Mpa) | 壓力損失(MPa) | 發訊裝置功率(V/W) | 重量(kg) | 濾芯型號 | 連接方式 | |
Initial | Max | |||||||||
U-H10×*BP | 15 | 10 | 1 3 5 10 20 30 40 | 32 | 0.08 | 0.35 | 24V/48W 220V/50W | 5.7 | HBX-10×*# | 板式 |
U-H25×*BP | 25 | 7.0 | HBX-25×*# | |||||||
U-H40×*BP | 25 | 40 | 0.1 | 11.5 | HBX-40×*# | |||||
U-H63×*BP | 63 | 13.2 | HBX-63×*# | |||||||
U-H100×*BP | 100 | 15.0 | HBX-100×*# | |||||||
U-H160×*BP | 32 | 160 | 0.12 | 21.4 | HBX-160×*# | |||||
U-H250×*BP | 40 | 250 | 25.7 | HBX-250×*# | ||||||
U-H400×*BP | 50 | 400 | 0.15 | 38.0 | HBX-400×*# | |||||
U-H630×*BP | 630 | 42.3 | HBX-630×*# | |||||||
U-H10×*DLP | 15 | 10 | 0.08 | 8.5 | HDX-10×*# | 倒裝 管式 | ||||
U-H25×*DLP | 25 | 9.9 | HDX-25×*# | |||||||
U-H40×*DLP | 20 | 40 | 0.1 | 16.4 | HDX-40×*# | |||||
U-H63×*DLP | 63 | 18.9 | HDX-63×*# | |||||||
U-H100×*DLP | 25 | 100 | 22.5 | HDX-100×*# | ||||||
U-H160×*DLP | 32 | 160 | 0.15 | 33.4 | HDX-160×*# | |||||
U-H10×*DFP | 15 | 10 | 0.08 | 8.6 | HDX-10×*# | 倒裝 法蘭式 | ||||
U-H25×*DFP | 25 | 10.0 | HDX-25×*# | |||||||
U-H40×*DFP | 20 | 40 | 0.1 | 16.6 | HDX-40×*# | |||||
U-H63×*DFP | 63 | 19.2 | HDX-63×*# | |||||||
U-H100×*DFP | 25 | 100 | 22.9 | HDX-100×*# | ||||||
U-H160×*DFP | 32 | 160 | 0.12 | 34.0 | HDX-160×*# | |||||
U-H250×*DFP | 40 | 250 | 41.9 | HDX-250×*# | ||||||
U-H400×*DFP | 50 | 400 | 0.15 | 57.6 | HDX-400×*# | |||||
U-H630×*DFP | 53 | 630 | 62.4 | HDX-630×*# | ||||||
U-H10×*DFAP | 15 | 10 | 0.08 | 8.6 | HDX-10×*# | 倒裝 法蘭式 A型 | ||||
U-H25×*DFAP | 25 | 10.0 | HDX-25×*# | |||||||
U-H40×*DFAP | 20 | 40 | 0.1 | 16.6 | HDX-40×*# | |||||
U-H63×*DFAP | 63 | 19.2 | HDX-62×*# | |||||||
U-H100×*DFAP | 25 | 100 | 22.9 | HDX-100×*# | ||||||
U-H160×*DFAP | 32 | 160 | 0.12 | 34.0 | HDX-160×*# | |||||
U-H400×*DFAP | 40 | 250 | 41.9 | HDX-250×*# | ||||||
U-H40×*DFBP | 50 | 400 | 0.15 | 57.6 | HDX-400×*# | |||||
U-H630×*DFAP | 53 | 630 | 62.4 | HDX-630×*# | ||||||
U-H10×*DFBP | 15 | 10 | 0.08 | 8.6 | HDX-10×*# | 倒裝 法蘭式 B型 | ||||
U-H25×*DFBP | 25 | 10.0 | HDX-25×*# | |||||||
U-H250×*DFAP | 20 | 40 | 0.1 | 16.6 | HDX-40×*# | |||||
U-H63×*DFBP | 63 | 19.2 | HDX-63×*# | |||||||
U-H100×*DFBP | 25 | 200 | 22.9 | HDX-100×*# | ||||||
U-H160×*DFBP | 32 | 160 | 0.12 | 34.0 | HDX-160×*# | |||||
U-H250×*DFBP | 40 | 250 | 41.9 | HDX-250×*# | ||||||
U-H400×*DFBP | 50 | 400 | 0.15 | 57.6 | HDX-400×*# | |||||
U-H630×*DFBP | 53 | 630 | 62.4 | HDX-630×*# | ||||||
U-H10×*BDP | 15 | 10 | 0.08 | 8.4 | HDX-10×*# | 倒裝板式 | ||||
U-H25×*BDP | 25 | 9.8 | HDX-25×*# | |||||||
U-H40×*BDP | 20 | 40 | 0.1 | 16.3 | HDX-40×*# | |||||
U-H63×*BDP | 63 | 18.9 | HDX-63×*# | |||||||
U-H100×*BDP | 25 | 100 | 22.5 | HDX-100×*# | ||||||
U-H160×*BDP | 40 | 160 | 0.12 | 33.6 | HDX-160×*# | |||||
U-H250×*BDP | 250 | 41.3 | HDX-250×*# | |||||||
U-H400×*BDP | 50 | 400 | 0.15 | 57.0 | HDX-400×*# | |||||
U-H630×*BDP | 630 | 61.8 | HDX-630×*# | |||||||
U-H800×*BDP | 800 | HDX-800×*# |
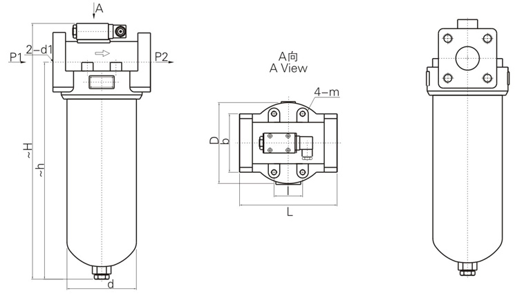
外型安裝尺寸
1.管式
型號 | 尺寸(mm) | ||||||||
~H | ~h | L | I | b | D | d | m | M | |
Z QU-H10X*P | 198 | 140 | 118 | 70 | Φ88 | Φ73 | 2-M6 | M27×2 | |
Z QU-H25X*P | 288 | 230 | |||||||
Z QU-H40X*P | 255 | 194 | 128 | 44 | 86 | Φ124 | Φ102 | 4-M10 | M33×2 |
Z QU-H63X*P | 323 | 262 | |||||||
Z QU-H100X*P | 394 | 329 | M42×2 | ||||||
Z QU-H160X*P | 435 | 362 | 166 | 60 | 100 | Φ146 | Φ121 | M48×2 |
注:流量為10 L/min時,出油口螺紋選用M18×1.5;25L/min時,出油口螺紋則選用M22×1.5,它屬特殊訂貨,型號為ZUT-H10×*P;ZUT-H25×*P
2.法蘭式
型號 | 尺寸(mm) | ||||||||
~H | ~h | L | I | b | D | d | d1 | m | |
Z QU-H250×*FP | 508 | 430 | 166 | 60 | 100 | 146 | 121 | Φ40 | M10 |
Z QU-H400×*FP | 545 | 461 | 206 | 123 | 170 | 146 | Φ50 | M12 | |
Z QU-H630×*FP | 647 | 563 | 128 | Φ55 | |||||
Z QU-H800×*FP | 767 | 683 |
2.1連接法蘭請用戶參照下列尺寸加工:
型號 | 尺寸(mm) | 法蘭用"O”型圈 | 法蘭用螺釘 | ||||||||||||
A | B | C | D | D1 | D2 | D3 | d | E | d1 | ||||||
Z QU-H250×*FP | 100 | 30 | 18 | Φ40 | Φ55 | 0 -0.2 | Φ52 | +0.2 0 | Φ60 | Φ98 | 2.4 | 0 -0.1 | 17 | Φ55×3.1 | M16×45 |
Z QU-H400×*FP | 123 | 36 | 20 | Φ52 | Φ73 | Φ65 | Φ73 | Φ118 | 4.5 | 22 | Φ73×5.7 | M20×60 | |||
Z QU-H630×*FP | 142 | 42 | 22 | Φ55 | Φ77 | Φ77 | Φ85 | Φ145 | Φ80×5.7 | M20×65 | |||||
Z QU-H800×*FP | 142 | 42 | 22 | Φ55 | Φ77 | Φ77 | Φ85 | Φ145 | Φ80×5.7 | M20×65 |
3.板式
型號 | 尺寸(mm) | |||||||||||||||
~H | ~H1 | R | d | L | B | I | d | E | F | h | h1 | h2 | d1 | d2 | d3 | |
Z QU-H10×*BP | 200 | 132 | 46 | Φ 73 | 158 | 60 | 128 | 30 | 40 | 20 | 50 | 110 | 22 | Φ 15 | Φ24 | Φ13 |
Z QU-H25×*BP | 290 | 222 | ||||||||||||||
Z QU-H40×*BP | 254 | 184 | 62 | Φ102 | 190 | 64 | 160 | 32 | 50 | 25 | 65 | 138 | 25 | Φ25 | Φ32 | Φ15 |
Z QU-H63×*BP | 322 | 252 | ||||||||||||||
Z QU-H100×*BP | 384 | 314 | ||||||||||||||
Z QU-H160×*BP | 411 | 338 | 73 | Φ121 | 212 | 72 | 180 | 40 | 60 | 30 | 77 | 164 | 30 | Φ32 | Φ40 | Φ17 |
Z QU-H250×*BP | 492 | 414 | 80 | 48 | 30 | Φ40 | Φ50 | |||||||||
Z QU-H400×*BP | 539 | 446 | 85 | Φ146 | 275 | 110 | 225 | 60 | 80 | 40 | 92 | 194 | 40 | Φ50 | Φ65 | Φ26 |
Z QU-H630×*BP | 639 | 546 |
4.倒裝管式
型號 | 尺寸(mm) | |||||||||||
H | H1 | L | L1 | B | d1 | d2 | h | h1 | h2 | M | D | |
Z QU-H10×*DLP | 198 | 148 | 130 | 95 | 115 | Φ9 | Φ14 | 27.5 | 33 | 54 | M27×2 | Φ92 |
Z QU-H25×*DLP | 288 | 238 | ||||||||||
Z QU-H40×*DLP | 247 | 197 | 156 | 115 | 145 | Φ14 | Φ20 | 34 | 41 | 68 | M33×2 | Φ124 |
Z QU-H63×*DLP | 315 | 265 | ||||||||||
Z QU-H100×*DLP | 377 | 327 | M42×2 | |||||||||
Z QU-H160×*DLP | 415 | 365 | 190 | 140 | 170 | 46 | 50 | 92 | M48×2 | Φ146 |
5.倒裝法蘭式
型號 | 尺寸(mm) | |||||||||||
H | H1 | D | L | L1 | B | d1 | d2 | h | h1 | h2 | d | |
Z QU-H10×*DFP | 198 | 148 | Φ92 | 130 | 95 | 115 | Φ9 | Φ14 | 27.5 | 33 | 54 | Φ18 |
Z QU-H25×*DFP | 288 | 238 | ||||||||||
Z QU-H40×*DFP | 247 | 197 | Φ124 | 156 | 115 | 145 | Φ14 | Φ20 | 34 | 41 | 68 | Φ25 |
Z QU-H63×*DFP | 315 | 265 | ||||||||||
Z QU-H100×*DFP | 377 | 327 | ||||||||||
Z QU-H160×*DFP | 415 | 365 | Φ146 | 190 | 140 | 170 | 46 | 50 | 92 | Φ32 | ||
Z QU-H250×*DFP | 485 | 435 | Φ40 | |||||||||
Z QU-H400×*DFP | 532 | 482 | Φ176 | 240 | 160 | 200 | Φ18 | Φ26 | 63 | 75 | 122 | Φ50 |
Z QU-H630×*DFP | 632 | 582 | Φ55 | |||||||||
Z QU-H630×*DFP | 752 | 702 |
6.倒裝法蘭式A型
型號 | 尺寸(mm) | ||||||||||||
H | H1 | L | L1 | L2 | b | d1 | d2 | h | h1 | h2 | d | D | |
ZQU-H10×*DFAP | 198 | 148 | 122.5 | 65 | 95 | 115 | Φ9 | Φ14 | 27.5 | 33 | 54 | Φ18 | Φ92 |
ZQU-H25×*DFAP | 288 | 238 | |||||||||||
ZQU-H40×*DFAP | 247 | 197 | 150.5 | 78 | 115 | 145 | , , ,Φ14 | Φ20 | 34 | 41 | 68 | Φ25 | Φ124 |
ZQU-H63×*DFAP | 315 | 265 | |||||||||||
ZQU-H100×*DFAP | 377 | 327 | |||||||||||
ZQU-H160×*DFAP | 415 | 365 | 180 | 95 | 140 | 170 | 46 | 50 | 92 | Φ32 | Φ146 | ||
ZQU-H250×*DFAP | 485 | 435 | Φ40 | ||||||||||
ZQU-H400×*DFAP | 532 | 482 | 220 | 120 | 160 | 200 | Φ18 | Φ26 | 63 | 75 | 122 | Φ50 | Φ176 |
ZQU-H630×*DFAP | 632 | 582 | Φ55 | ||||||||||
ZQU-H800×*DFAP | 752 | 702 |
7.倒裝法蘭式B型
型號 | 尺寸(mm) | ||||||||||||
H | H1 | L | L1 | L2 | B | d1 | d2 | h | h1 | h2 | d | D | |
Z QU-H10×*DFBP | 198 | 148 | 122.5 | 65 | 95 | 115 | Φ9 | Φ14 | 27.5 | 33 | 54 | Φ18 | Φ92 |
Z QU-H25×*DFBP | 288 | 238 | |||||||||||
Z QU-H40×*DFBP | 247 | 197 | 150.5 | 78 | 115 | 145 | Φ14 | Φ20 | 34 | 41 | 68 | Φ25 | Φ124 |
Z QU-H63×*DFBP | 315 | 265 | |||||||||||
Z QU-H100×*DFBP | 377 | 327 | |||||||||||
Z QU-H160×*DFBP | 415 | 365 | 180 | 95 | 140 | 170 | 46 | 50 | 92 | Φ32 | Φ146 | ||
Z QU-H250×*DFBP | 485 | 435 | Φ40 | ||||||||||
Z QU-H400×*DFBP | 532 | 482 | 220 | 120 | 160 | 200 | Φ18 | Φ26 | 63 | 75 | 122 | Φ50 | Φ176 |
Z QU-H630×*DFBP | 632 | 582 | Φ55 | ||||||||||
Z QU-H800×*DFBP | 752 | 702 |
8.倒裝板式
型號 | 尺寸(mm) | |||||||||||||
H | h1 | D | L | L1 | B | d1 | d2 | E | h1 | h2 | h3 | d4 | b | |
Z QU-H10×*BDP | 196 | 146 | Φ92 | 130 | 90 | 115 | Φ11.5 | Φ18 | 60 | 31 | 50 | Φ15 | Φ24 | 14 |
Z QU-H25×*BDP | 286 | 236 | ||||||||||||
Z QU-H40×*BDP | 245 | 195 | Φ124 | 156 | 115 | 145 | Φ16 | Φ23 | 88 | 39 | 64 | Φ25 | Φ38 | 15 |
Z QU-H63×*BDP | 313 | 163 | ||||||||||||
Z QU-H100×*BDP | 375 | 325 | ||||||||||||
Z QU-H160×*BDP | 413 | 363 | Φ146 | 190 | 135 | 170 | Φ18 | Φ26 | 104 | 48 | 88 | Φ40 | Φ50 | 23 |
Z QU-H250×*BDP | 483 | 433 | ||||||||||||
Z QU-H400×*BDP | 530 | 480 | Φ176 | 240 | 160 | 200 | Φ26 | Φ38 | 144 | 70 | 118 | Φ50 | Φ65 | 24 |
Z QU-H630×*BDP | 630 | 580 | ||||||||||||
Z QU-H800×*BDP | 750 | 700 |
9.連接法蘭請用戶參考下列尺寸加工
型號 | 尺寸(mm) | 法蘭用“Q”型圈 | 法蘭用螺釘 | ||||||||||||
A | B | C | D | D1 | D2 | D3 | d | E | D1 | ||||||
Z QU-H10×*d△P | 52 | 22 | 11 | Φ18 | Φ30 | 0 -0.2 | Φ28 | +0.2 0 | Φ36 | Φ50 | 2.4 | 0 -0.1 | Φ9 | Φ30×3.1 | M8×40 |
Z QU-H25×*d△P | |||||||||||||||
Z QU-H40×*d△P | 66 | 12 | Φ25 | Φ40 | Φ35 | Φ43 | Φ62 | Φ11 | Φ40×3.1 | M10×45 | |||||
Z QU-H63×*d△P | |||||||||||||||
Z QU-H100×*d△P | |||||||||||||||
Z QU-H160×*d△P | 90 | 26 | 16 | Φ32 | Φ50 | Φ43 | Φ51 | Φ85 | Φ17 | Φ50×3.1 | M16×45 | ||||
Z QU-H250×*d△P | Φ40 | Φ52 | Φ60 | ||||||||||||
Z QU-H400×*d△P | 120 | 36 | 20 | Φ52 | Φ73 | Φ65 | Φ73 | Φ118 | 4.5 | Φ22 | Φ73×5.7 | M20×65 | |||
Z QU-H630×*d△P | Φ55 | Φ80 | Φ77 | Φ85 | Φ80×5.7 | ||||||||||
Z QU-H800×*d△P |